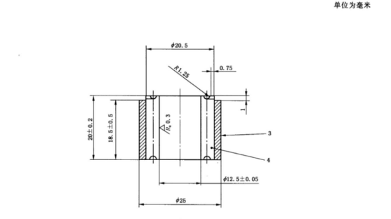
制样的对开模具-弹性回复和压应变试验
执行标准:
YY/T 0493-2022、ISO4823:2015
技术参数:
由阳极氧化铝,黄铜或不锈钢制成。

配置清单:
模具一套
咨询热线
15921758826