上海徽涛自动化设备有限公司
您的位置: 首页 > 产品中心 > 医疗器械类检测仪器 > 细节再现工装-细节再现器具-划线试验块
  • 细节再现工装-细节再现器具-划线试验块
  • 细节再现工装-细节再现器具-划线试验块

细节再现工装-细节再现器具-划线试验块

型号HT-Z589

价格电议

品牌徽涛

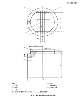
简介符合标准: YY/T 0462-2018,7.7细节再现

全国热线

15921758826

产品详情/ PRODUCT DETAILS

符合标准:

YY/T 0462-2018,7.7细节再现


介绍:

试验块:带如图6和图7中示的划线,由硬化不锈钢材质(400VHN)制成。

环形模具:如图8示。按GB/T131-2006,表面粗糙度为N5(Ra=0.4μm).

开口模具:如图9示。按GB/T131-2006,表面粗糙度为N5(Ra=0.4μm).

image.pngimage.png

image.png

image.png


咨询热线

15921758826